產品分類一覽
C2/20T 1-C2/20T_C2稱重傳感器 HBM
德國HBM C2/20T稱重傳感器
產品名稱:德國HBM稱重傳感器C2/20T
產品品牌:德國HBM
產品價格:電話咨詢報價(020-82303306)
購買德國HBM稱重傳感器C2 20T請務必認準【廣州★南創】中國總代理官網,全國服務電話:020-82303306,我們鄭重承諾:“三個月內不滿意隨時無條件退換貨, 退還全部貨款,不收任何費用,質保兩年,提供終身免費維護!”
產品型號:C2 20T稱重傳感器
產品系列:C2稱重傳感器
產品類型:拉壓雙向稱重傳感器
產品規格:多個規格可選)

德國HBM C2/20t稱重傳感器主要特點:
德國HBM稱重傳感器1- C2/20T高動態負載,尺寸小,選用不銹鋼材質
防銹蝕,高精度,HBM傳感器C220T采用6線制
德國HBM稱重傳感器C2/20T結實耐用,高穩定性,保護等級EMC 認證
符合EMC標準(EN 45 501)
德國HBM傳感器C220T防爆型號符合ATEX95(可選)
量程范圍:50kg,100kg,200kg,500kg,1t,2t,5t,10t,20t,50t
德國HBM稱重傳感器C2可選量程:C2/50KG;C2/100KG;C2/200KG;C2/500KG;C2/1T;C2/2T;C2/5T;C2/10T;C2/20T;C2/50t
德國HBM稱重傳感器C2/20T產品技術參數:

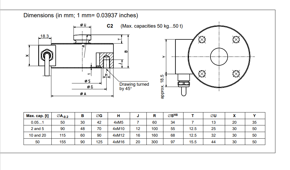
德國HBM稱重傳感器C2/20T產品尺寸圖:


德國HBM稱重傳感器C2系列型號:
C2/50KG稱重傳感器;C2/100KG稱重傳感器;C2/200KG稱重傳感器;C2/500KG稱重傳感器;C2/1T稱重傳感器;C2/2T稱重傳感器;C2/5T稱重傳感器;C2/10T稱重傳感器;C2/20T稱重傳感器;C2/50t稱重傳感器
德國HBM測力傳感器 C2系列型號:
C2/50N,C2/100N,C2/200N,C2/500N,C2/1KN,C2/2KN,C2/10T,C2/10KN,C2/20KN,C2/50KN
德國HBM稱重傳感器 C9B系列型號:
C9B/50N, C9B/100N, C9B/200N, C9B/500N, C9B/1kN, C9B/2kN, C9B/10T, C9B/10kN, C9B/20kN, C9B/50kN
德國HBM稱重傳感器 C18系列型號:
C18/10kN,C18/20kN,C18/50kN,C18/100kN,C18/200kN,C18/300kN,C18/500kN,C18/1MN,C18/2MN,C18/3MN,C18/5MN
系統工程推薦如下:
增重式配料系統
減重式配料系統
失重式配料系統
正壓密相氣力輸送系統
濃相氣力輸送系統
脈沖式氣力輸送系統
負壓吸送式氣力輸送系統
負壓氣力輸送系統
負壓稀相氣力輸送系統
Novotechnik位移傳感器
稱重模塊
有關德國HBM 德國HBM 1-C2/20T稱重傳感器相關知識拓展閱讀:
德國HBM稱重傳感器C2 20t某些單晶體或多晶體陶瓷電介質,當沿著一定方向對其施力而使它變形時,HBMC220t稱重傳感器內部就產生極化現象,同時在它的兩個對應晶面上便產生符號相反的等量電荷,HBM傳感器C2/20t當外力取消后,電荷也消失,又重新恢復不帶電狀態,這種現象稱為壓電效應HBM2-C2/20t傳感器當作用力的方向改變時,電荷的極性也隨著改變。相反,當在電介質的極化方向上施加電場HBM C2/20t稱重傳感器作用時,HBM C220t傳感器這些電介質晶體會在一定的晶軸方向產生機械變形,外加電場消失,變形也隨之消失,這種現象稱為逆壓電效應(電致伸縮)。具有這種壓電效應的物質稱為壓電材料或壓電元件。德國HBM C2 20t稱重傳感器常見的壓電材料有石英晶體和各種壓電陶瓷材料。
以上是德國HBMC2/20T稱重傳感器產品相關內容中國代理官網、HBM C2 20T稱重傳感器廠家電話、自動配料系統,配料稱重控制系統、稱重傳感器型號類別技術參數選型安裝、等資料信息,如果有關德國HBM稱重傳感器1-C2/20T其他相關方面需要,可直接電話聯系HBM稱重傳感器C220T相關負責工程師咨詢020-82303306。
【廣州★南創】:【中國十大自動配料系統★集成供應商】專業提供自動配料系統設計方案、工作原理、稱重傳感器、德國HBM 1-C2/20T稱重傳感器選型及報價。供應全自動配料系統,配料稱重控制系統,稱重設備,咨詢電話:020-82303306。
產品名稱:德國HBM稱重傳感器C2/20T
產品品牌:德國HBM
產品價格:電話咨詢報價(020-82303306)
購買德國HBM稱重傳感器C2 20T請務必認準【廣州★南創】中國總代理官網,全國服務電話:020-82303306,我們鄭重承諾:“三個月內不滿意隨時無條件退換貨, 退還全部貨款,不收任何費用,質保兩年,提供終身免費維護!”
產品型號:C2 20T稱重傳感器
產品系列:C2稱重傳感器
產品類型:拉壓雙向稱重傳感器
產品規格:多個規格可選)

德國HBM C2/20t稱重傳感器主要特點:
德國HBM稱重傳感器1- C2/20T高動態負載,尺寸小,選用不銹鋼材質
防銹蝕,高精度,HBM傳感器C220T采用6線制
德國HBM稱重傳感器C2/20T結實耐用,高穩定性,保護等級EMC 認證
符合EMC標準(EN 45 501)
德國HBM傳感器C220T防爆型號符合ATEX95(可選)
量程范圍:50kg,100kg,200kg,500kg,1t,2t,5t,10t,20t,50t
德國HBM稱重傳感器C2可選量程:C2/50KG;C2/100KG;C2/200KG;C2/500KG;C2/1T;C2/2T;C2/5T;C2/10T;C2/20T;C2/50t
德國HBM稱重傳感器C2/20T產品技術參數:

德國HBM稱重傳感器C2/20T產品尺寸圖:


德國HBM稱重傳感器C2系列型號:
C2/50KG稱重傳感器;C2/100KG稱重傳感器;C2/200KG稱重傳感器;C2/500KG稱重傳感器;C2/1T稱重傳感器;C2/2T稱重傳感器;C2/5T稱重傳感器;C2/10T稱重傳感器;C2/20T稱重傳感器;C2/50t稱重傳感器
德國HBM測力傳感器 C2系列型號:
C2/50N,C2/100N,C2/200N,C2/500N,C2/1KN,C2/2KN,C2/10T,C2/10KN,C2/20KN,C2/50KN
德國HBM稱重傳感器 C9B系列型號:
C9B/50N, C9B/100N, C9B/200N, C9B/500N, C9B/1kN, C9B/2kN, C9B/10T, C9B/10kN, C9B/20kN, C9B/50kN
德國HBM稱重傳感器 C18系列型號:
C18/10kN,C18/20kN,C18/50kN,C18/100kN,C18/200kN,C18/300kN,C18/500kN,C18/1MN,C18/2MN,C18/3MN,C18/5MN
系統工程推薦如下:
增重式配料系統
減重式配料系統
失重式配料系統
正壓密相氣力輸送系統
濃相氣力輸送系統
脈沖式氣力輸送系統
負壓吸送式氣力輸送系統
負壓氣力輸送系統
負壓稀相氣力輸送系統
Novotechnik位移傳感器
稱重模塊
有關德國HBM 德國HBM 1-C2/20T稱重傳感器相關知識拓展閱讀:
德國HBM稱重傳感器C2 20t某些單晶體或多晶體陶瓷電介質,當沿著一定方向對其施力而使它變形時,HBMC220t稱重傳感器內部就產生極化現象,同時在它的兩個對應晶面上便產生符號相反的等量電荷,HBM傳感器C2/20t當外力取消后,電荷也消失,又重新恢復不帶電狀態,這種現象稱為壓電效應HBM2-C2/20t傳感器當作用力的方向改變時,電荷的極性也隨著改變。相反,當在電介質的極化方向上施加電場HBM C2/20t稱重傳感器作用時,HBM C220t傳感器這些電介質晶體會在一定的晶軸方向產生機械變形,外加電場消失,變形也隨之消失,這種現象稱為逆壓電效應(電致伸縮)。具有這種壓電效應的物質稱為壓電材料或壓電元件。德國HBM C2 20t稱重傳感器常見的壓電材料有石英晶體和各種壓電陶瓷材料。
以上是德國HBMC2/20T稱重傳感器產品相關內容中國代理官網、HBM C2 20T稱重傳感器廠家電話、自動配料系統,配料稱重控制系統、稱重傳感器型號類別技術參數選型安裝、等資料信息,如果有關德國HBM稱重傳感器1-C2/20T其他相關方面需要,可直接電話聯系HBM稱重傳感器C220T相關負責工程師咨詢020-82303306。
【廣州★南創】:【中國十大自動配料系統★集成供應商】專業提供自動配料系統設計方案、工作原理、稱重傳感器、德國HBM 1-C2/20T稱重傳感器選型及報價。供應全自動配料系統,配料稱重控制系統,稱重設備,咨詢電話:020-82303306。